OptiSurface™
🔧 OptiSurface™ – CNC Surface Finish & SSV Control Software Solution
Featuring Built-In Spindle Speed Variation (SSV) for Any Machine
Developed by MACROMILL™ | 100% Offline | Lifetime Access Included
đź› Built to Predict. Engineered to Control. Designed to Eliminate Chatter.
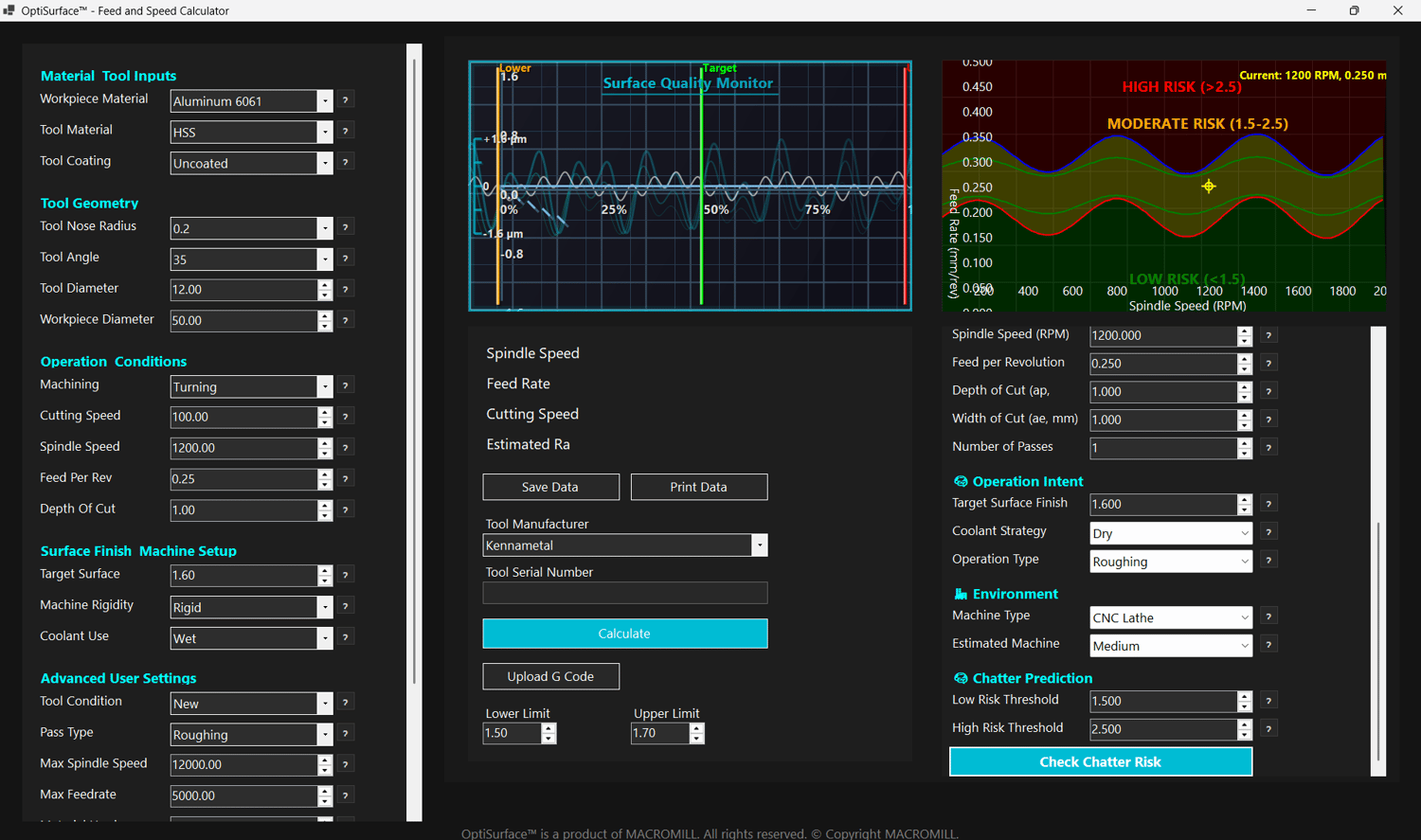
OptiSurface™ isn’t just another calculator. It’s a purpose-built CNC tool that gives you full control over surface quality and vibration — using real machining parameters, not outdated tables.
This is the only system that combines surface finish prediction, dynamic cutting parameter calculation, and now — for the first time ever — SSV logic you can use on any CNC machine.
🔊 Built-In SSV™ – Spindle Speed Variation That Works on Every Machine
Spindle Speed Variation (SSV) is one of the most powerful anti-chatter tools in CNC machining — and now, OptiSurface™ brings it to every control, even if it’s not natively supported.
Here’s what Built-In SSV™ does:
âś… Calculates:
- Upper & lower RPM limits
- Oscillation frequency (Hz)
- SSV duration and dwell time
- Based on your base RPM, material, tooling, and machine dynamics
âś… Injects:
- Fully formatted G-code logic to modulate spindle speed
- Clean integration with any cutting cycle
- Works in both turning and milling
- No special M-codes or controller options required
âś… Includes:
- Prebuilt SSV macros for Fanuc, Siemens, Haas, Heidenhain, Okuma
- Editable logic to suit any post or controller style
- CAM plug-in support with templates for Fusion 360™, Mastercam™, SolidCAM™, and more
Whether you're dealing with chatter in finish turning or vibration in deep milling — OptiSurface™ with Built-In SSV™ is your solution.
🔍 Additional Highlights:
- Ra prediction based on real tool, feed, DOC, material, and geometry
- Feed/rev and RPM optimization using intelligent calculations
- Full offline use — no cloud, no subscriptions, no licensing servers
- One-time activation with lifetime access and updates included
- CAM-ready files for integration into your workflow immediately
⚠️ LIMITED ACCESS – Secure Your License Now
OptiSurface™ isn’t a feature — it’s a capability.
You’re not just improving part quality. You’re unlocking cutting behavior that was once only available on high-end controllers — now on any machine, anywhere.
Take full control over surface finish and vibration with OptiSurface™
Includes Built-In SSV™. Yours for life.