Your Cart
Loading
Only -1 left

JCB 8025Z 8030Z 8035Z MINI EXCAVATOR WORKSHOP SERVICE REPAIR MANUAL (PDF DOWNLOAD)

On Sale
€8.99
€8.99
Added to cart


JCB 8025Z 8030Z 8035Z MINI EXCAVATOR WORKSHOP SERVICE REPAIR MANUAL (DOWNLOAD COPY)



THIS MANUAL IS COMPATIBLE WITH THE FOLLOWING COMPUTER OPERATING SYSTEMS:

# ALL WINDOWS VERSION

# ALL MAC VERSION


# YOU NEED THE ADOBE ACROBAT READER TO VIEW THE DOCUMENT AS THE MANUAL IS PDF FORMAT. IF YOUR COMPUTER DON'T HAVE THIS APPLICATION YOU CAN DOWNLOAD AND INSTALL IT FREE FROM ADOBE ACROBAT WEBSITE

# AS THIS MANUAL IS COMING TO YOU IN ZIP FORMAT, YOU NEED TO EXTRACT THE FILE BEFORE USE BY USING WINZIP OR WINRAR SOFTWARE. IF YOUR COMPUTER DON'T HAVE THIS APPLICATION YOU CAN DOWNLOAD AND INSTALL IT FREE FROM WINZIP WEBSITE


MANUAL LANGUAGE: ENGLISH


MODELS COVERED:

JCB 8025Z EXCAVATOR: SERIAL NO. 1126500 & UP

JCB 8030Z EXCAVATOR: SERIAL NO. 1128500 & UP

JCB 8035Z EXCAVATOR: SERIAL NO. 1230500 & UP


ENGINE COVERED:

1.5L 3-CYLINDER IN-LINE, 4-CYCLE, WATER-COOLED, PERKINS 403C DIESEL


CONTENTS OF THE MANUAL:

GENERAL INFORMATION

SPECIFICATION DATA

TIGHTENING TORQUE

MAINTENANCE PROCEDURE

SPECIAL SERVICE TOOLS

ENGINE SYSTEM

ENGINE FUEL SYSTEM

LUBRICATION SYSTEM

COOLING SYSTEM

STARTING SYSTEM

BUCKET RAM PIVOT & LINKAGE

DIPPER & BOOM SYSTEM

KINGPOST SYSTEM

CAB TILTING SYSTEM

ELECTRICS SYSTEM

STARTER MOTOR SYSTEM

ENGINE THROTTLE SYSTEM

CONTROL BAR SYSTEM

TRACK LEVERS SYSTEM

DOZER LEVER SYSTEM

HYDRAULICS SYSTEM

CONTROL VALVE SYSTEM

HYDRAULIC PUMP SYSTEM

MAIN RELIEF VALVE

AUXILIARY RELIEF VALVES

TRACK MOTOR SYSTEM

SLEW MOTOR SYSTEM

ROTARY COUPLING SYSTEM

HYDRAULIC RAMS SYSTEM

GEARBOXES SYSTEM

TRACK ROLLERS SYSTEM

DRIVEN SPROCKET SYSTEM

IDLER & RECOIL UNIT

TROUBLESHOOTING

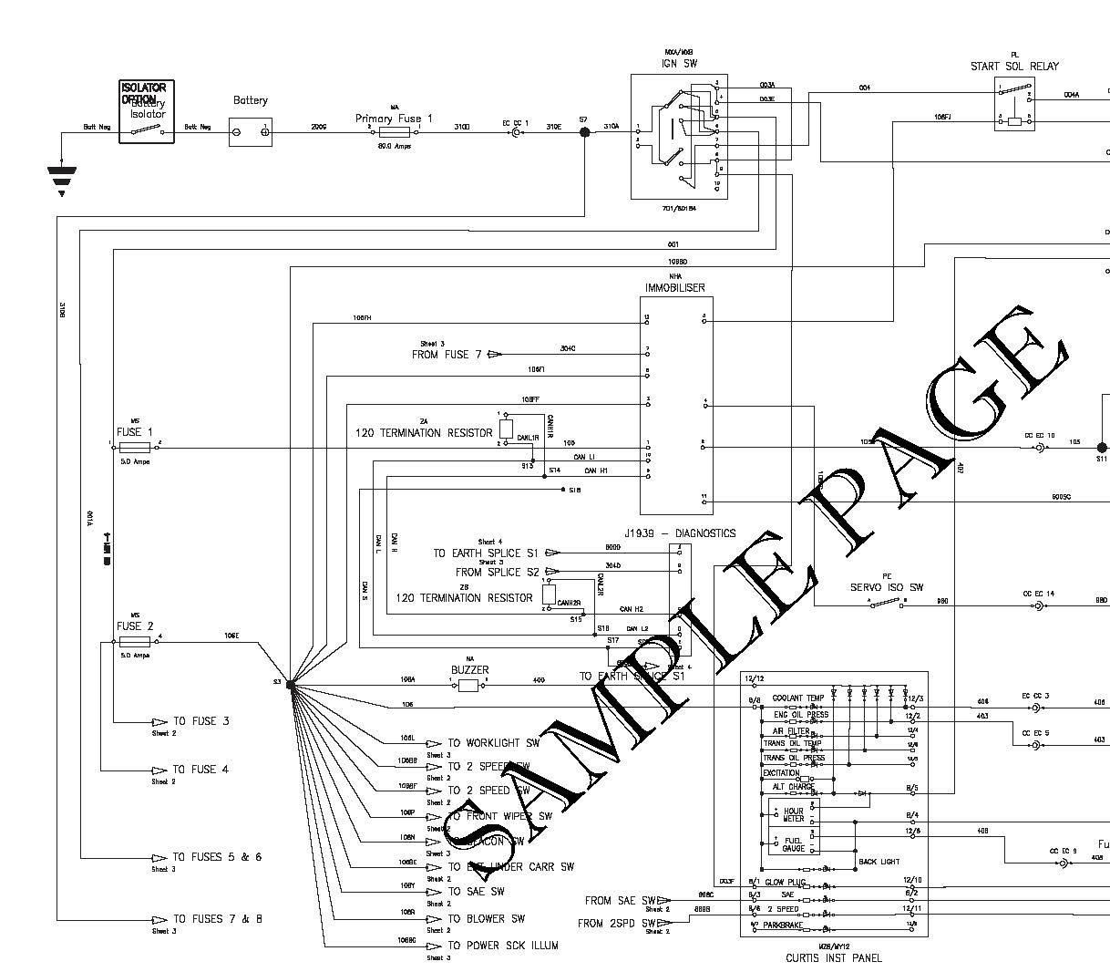
ELECTRICAL DIAGRAMS


A full comprehensive Electronic Workshop Manual. This is Recommend for professional mechanics and even for non-experienced people who wants to save money by making the repairs themselves. This is the same type of service manual your local dealer as well as the technician use when doing a repair & servicing for your vehicle.


Reason to buy this manual:

  • Save forever to your hard disc because a disc become faulty anytime
  • No need to waste time by waiting for postal delivery
  • Readable by any Devices with PDF Reader
  • Ready to Print
  • High Definition diagrams
  • Well structured contents
  • Very detailed instructions
  • Bookmarks for every chapter
  • No need to install any extra software


## THE ENTIRE DESCRIPTION HAS BEEN CREATED BY ME BASED ON THE REPAIR MANUALS. NO ONE IS AUTHORIZED TO COPY ANY PART OF THE DESCRIPTION. I AM INTENTIONALLY DISTRIBUTING THIS SOFTWARE UNDER THE GNU/GPL AND IT DOES NOT VIOLATE ANY POLICY OR COPYRIGHT ACT. ALL TRADEMARKS ARE COPYRIGHTED MATERIAL OF RESPECTIVE OWNERS. THE MATERIAL OF THIS DOCUMENT IS NOT FOR REPRODUCE OR RESELL, THE CONTENTS MAY USE FOR TRAINING PURPOSE & PRIVATE USE ONLY.


You will get a ZIP (30MB) file