Your Cart
Loading
Only -1 left

Flat Roof Built-Up – CAD Section Details

On Sale
$15.00
Pay what you want: (minimum $15.00)
$
Added to cart

Flat Roof Built-Up – CAD Section Details (DWG & DXF)


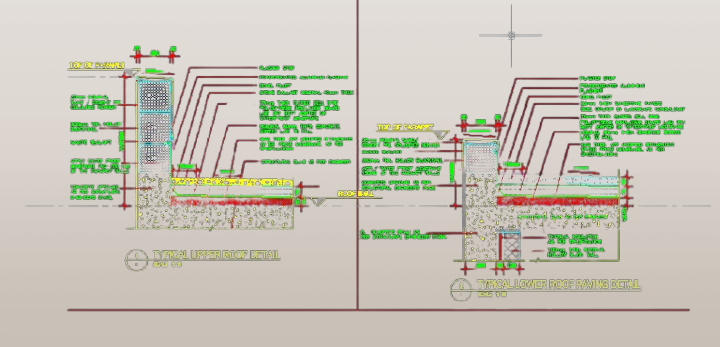
This CAD drawing includes 2 detailed sections of a flat roof construction, showing the build-up over a concrete slab and blockwork wall. Each section is annotated with precise dimensions and notes for clarity and accuracy in design execution.


Provided in DWG format (AutoCAD 2013) for easy integration into your projects, with a (DXF 2013) version included to ensure compatibility with other CAD software.


Ideal for architects, engineers, students and contractors working on flat roof design, detailing, and construction.


✅ Instant digital download after purchase

❤️ Your purchase supports the work of an independent architect—thank you!



Notes:


“This product is licensed for personal use only. See included License.pdf for full terms.” Copy attached.



Due to the digital nature of this product, all sales are final. Once your purchase is completed and the design files have been delivered or downloaded, no refunds, exchanges, or cancellations can be offered.

Please review all product details, descriptions, and previews carefully before making your purchase. If you experience any issues with your download or have trouble accessing your files, please contact us — we’ll be happy to assist in resolving the problem.



You will get the following files:
  • DWG (171KB)
  • DXF (950KB)
  • PDF (151KB)